|
|
| Autor |
Nachricht |
PiKa Speichenputzer Anmeldungsdatum: 21.07.2012 Beiträge insgesamt: 28 KTM LC8 Adv 990, 2010 → 45.000 km
|
Verfasst am : Mi, 30. Apr 2014, 15:07 Titel: Warnblinker, leuchtet Schalter immer? |
|
|
Bei meiner Adventure 990, Bj. 2010 ist mir heute aufgefallen, daß der Schalter für die Warnblinkanlage ständig leuchtet.
Ist dies normal oder ein Fehler ?
Bitte um eure Auskunft.
PiKa
|
|
| Nach oben |
|
quirler Angstnippelbeschneider
Anmeldungsdatum: 04.10.2010 Beiträge insgesamt: 792 KTM LC8 Adv 990, 2010 KTM 450 SMR
|
Verfasst am : Mi, 30. Apr 2014, 15:29 Titel: |
|
|
Hallo,
beim fahren leuchtet er immer, nach dem Aschalten der Zündung auch noch ein bissl, aber irgendwann wird er dann finster.
lg
Manfred
|
|
| Nach oben |
|
Luzy Asphaltcowboy
Anmeldungsdatum: 15.11.2011 Beiträge insgesamt: 55 Wohnort: Egmating KTM LC8 Adv 990, 2010 → 40.000 km Husqvarna 701, 2016 → 6.000 km
|
Verfasst am : Mi, 30. Apr 2014, 17:22 Titel: Warnblinker, leuchtet Schalter immer? |
|
|
Yep kann ich bestätigen,
bei meiner weißen ADV 990 Baujahr 2010 siehts so aus:
Bild entstand in der düsteren Garage, beim Normal-Tag-Licht find ich fällt das leuchten kaum auf.
| Beschreibung: |
|
| Dateigröße: |
287.61 KB |
| Angeschaut: |
1269 mal |

|
|
|
| Nach oben |
|
PiKa Speichenputzer Anmeldungsdatum: 21.07.2012 Beiträge insgesamt: 28 KTM LC8 Adv 990, 2010 → 45.000 km
|
Verfasst am : Mi, 30. Apr 2014, 19:50 Titel: |
|
|
Laut meiner KTM-Werkstätte sollte das Leuchten des Warnblinkers bei ausgeschalteter Zündung angeblich normal sein.
Aber bei der baugleichen Adventure (Bj. 2011, meine ist Bj.2010)
eines Bekannten erlischt das Licht nach einiger Zeit komplett.
Sollte es vom Baujahr abhängig sein?
Bitte nochmals um euren Rat, da ich mich absolut nicht mehr auskenne.
PiKa
|
|
| Nach oben |
|
kretabiker  Sponsor Anmeldungsdatum: 01.09.2008 Beiträge insgesamt: 6067
|
Verfasst am : Mi, 30. Apr 2014, 20:04 Titel: |
|
|
Was heißt "leuchtet ständig"....während der Fahrt, oder auch wenn schon lange ausgeschaltet ist?
Es soll so sein wie Luzy und quirler schon geschrieben haben........das Lämpchen leuchtet kurz nach "Zündung aus" noch etwas nach (30 sek......die Warnblinke läßt sich in dieser Zeit noch aktivieren, selbst wenn Zündung schon aus ist!) und erlischt dann!
| Beschreibung: |
|
 Download |
| Dateiname: |
2014-04-30_205617.png |
| Dateigröße: |
158.06 KB |
| Heruntergeladen: |
1309 mal |
|
|
| Nach oben |
|
PiKa Speichenputzer Anmeldungsdatum: 21.07.2012 Beiträge insgesamt: 28 KTM LC8 Adv 990, 2010 → 45.000 km
|
Verfasst am : Mi, 30. Apr 2014, 20:27 Titel: |
|
|
Hallo, der Schalter leuchtet wie gesagt immer,
auch nach Stunden, Tagen usw.
Die Warnblinkanlage läßt sich aber nur ca. 30Sek. Nach Zündung aus aktivieren.
Habe versucht die Batterie ab und danach wieder anzuklemmen.
Dann ist der Schalter erlöscht.
Sobald ich einmal die Zündung einschalte ist das Problem wieder da.
PiKa
|
|
| Nach oben |
|
quirler Angstnippelbeschneider
Anmeldungsdatum: 04.10.2010 Beiträge insgesamt: 792 KTM LC8 Adv 990, 2010 KTM 450 SMR
|
Verfasst am : Mi, 30. Apr 2014, 21:20 Titel: |
|
|
| kann nicht so gehören, saugt ja dann die Bakterie leer wenns immer funzt...
|
|
| Nach oben |
|
kretabiker  Sponsor Anmeldungsdatum: 01.09.2008 Beiträge insgesamt: 6067
|
Verfasst am : Mi, 30. Apr 2014, 21:22 Titel: |
|
|
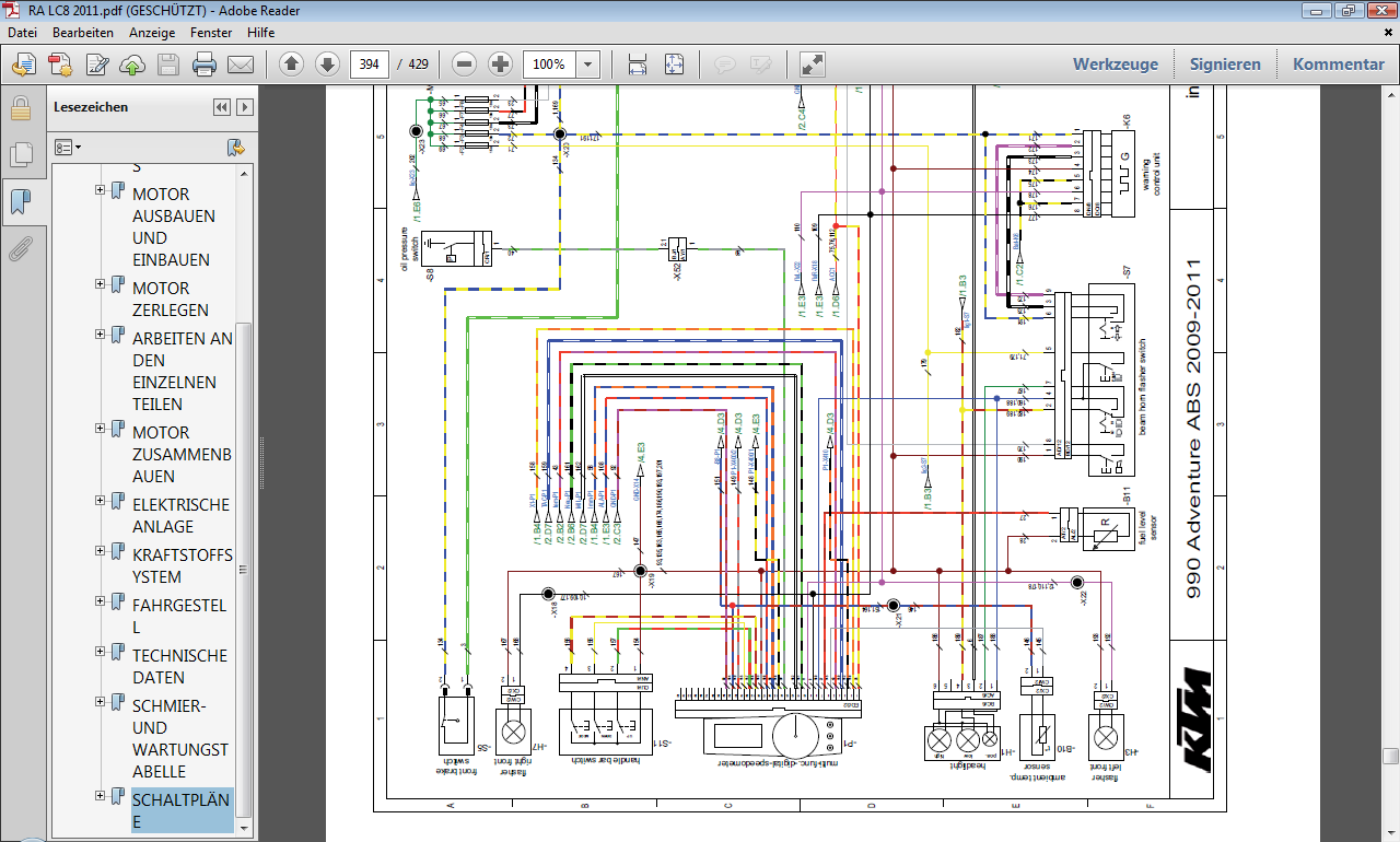
....Tja, dann kann ich nur den Schaltplan in 2 Hälften liefern. Ausdrucken und zusammen setzen....viel Glück!
| Beschreibung: |
|
 Download |
| Dateiname: |
2014-04-30_221807.png |
| Dateigröße: |
105.99 KB |
| Heruntergeladen: |
1430 mal |
| Beschreibung: |
|
 Download |
| Dateiname: |
2014-04-30_221821.png |
| Dateigröße: |
117.53 KB |
| Heruntergeladen: |
1277 mal |
|
|
| Nach oben |
|
PiKa Speichenputzer Anmeldungsdatum: 21.07.2012 Beiträge insgesamt: 28 KTM LC8 Adv 990, 2010 → 45.000 km
|
Verfasst am : Mi, 30. Apr 2014, 21:33 Titel: |
|
|
Vorerst danke für eure Antworten,
sollte doch noch jemand eine Lösung meines Problems haben,
wäre ich sehr, sehr dankbar.
PiKa
|
|
| Nach oben |
|
hakim Hinterradspezi Anmeldungsdatum: 12.09.2013 Beiträge insgesamt: 1689 KTM 1290 SuperAdventure, 2016 → 77.000 km
|
Verfasst am : Do, 1. Mai 2014, 7:52 Titel: |
|
|
Hallo,
im Schaltplan siehst Du die "warning control unit". Das ist die Warnblinkeinheit, in welcher alle Blinkerfunktionen zusammengefasst sind. Du siehst von außen nur den Warnblinkschalter, aber darin integriert ist eine elektronische Steuereinheit, die auch als Blinkerrelais fungiert. Ebenso ist diese Abschaltverzögerung dort integriert. Zu reparieren gibt es da nichts, ich denke, Du wirst die Einheit erneuern müssen: "Warnblinkkontrolle" Teilenummer 60211022000 für etwa 87 Euro.
Hakim
|
|
| Nach oben |
|
Zweitmotorrad  Sponsor Anmeldungsdatum: 12.03.2010 Beiträge insgesamt: 1659 KTM LC8 Adv 990, 2007 → 24.000 km KTM LC8 Adv 1190 R, 2015 → 2.000 km GasGas TXT pro 280 → 2.000 km
|
Verfasst am : Do, 1. Mai 2014, 10:13 Titel: |
|
|
Lass es leuchten, wenn Die Funktionen sonst i.O. sind.
_________________ Gruß, Zweitmotorrad
Teuer ist, wenn´s mir nicht gefällt. |
|
| Nach oben |
|
kretabiker  Sponsor Anmeldungsdatum: 01.09.2008 Beiträge insgesamt: 6067
|
Verfasst am : Do, 1. Mai 2014, 12:08 Titel: |
|
|
| Zweitmotorrad @ Do, 1. Mai 2014, 10:13 hat folgendes geschrieben: | | Lass es leuchten, wenn Die Funktionen sonst i.O. sind. |
Das geht doch auf die Batterie !!!!! Wenn schon die Digi-Uhr die Batterie längerfristig leer saugt, dann kannst du davon ausgehen das die Lampe eine Entladung noch beschleunigt!
|
|
| Nach oben |
|
el ce achtler  Sponsor
Anmeldungsdatum: 23.09.2006 Beiträge insgesamt: 808 KTM LC8 Adv 950, 2003 → 114.000 km
|
Verfasst am : Do, 1. Mai 2014, 13:14 Titel: |
|
|
LED oder Birnchen?
_________________ ... mach, daß es geht! .... |
|
| Nach oben |
|
kretabiker  Sponsor Anmeldungsdatum: 01.09.2008 Beiträge insgesamt: 6067
|
Verfasst am : Do, 1. Mai 2014, 13:26 Titel: |
|
|
Hab gerade in der Arbeitsunterweisung und in den Schaltplänen nachgesehen.....ist nicht ersichtlich, zumindest finde ich nichts darüber.
Auf dem Foto von Lucy, oben, sieht es fast so aus, als wären es 3 LEDs........
|
|
| Nach oben |
|
el ce achtler  Sponsor
Anmeldungsdatum: 23.09.2006 Beiträge insgesamt: 808 KTM LC8 Adv 950, 2003 → 114.000 km
|
Verfasst am : Do, 1. Mai 2014, 13:39 Titel: |
|
|
bin zwar kein Elektronischer, aber dann dürfte das der Batterie nichts machen. Ich würd mir die paarnachtzig EUR sparen und einfach ab und an fahren und gut.
_________________ ... mach, daß es geht! .... |
|
| Nach oben |
|
|