forum.LC8.info Foren-Übersicht  
FAQFAQ Knowledge BaseKnowledge Base SuchenSuchen KarteKarte KalenderKalender FotoalbumFotoalbum RegistrierenRegistrieren ProfilProfil LoginLogin

Choke seilzug austauschen
Gehe zu Seite 1, 2  Weiter
 
Neues Thema eröffnen   Neue Antwort erstellen     forum.LC8.info Foren-Übersicht -> Adv - Technik/Reparatur Beiträge der letzten 24h (nach Forum sortiert)
Vorheriges Thema anzeigen :: Nächstes Thema anzeigen  
Autor Nachricht
RemscheidOffline
Asphaltcowboy
Avatar

Anmeldungsdatum: 03.06.2007
Beiträge insgesamt: 79
KTM LC8 Adv 950, 2005
 →  39.000 km

BeitragVerfasst am : Mi, 4. Feb 2009, 9:34    Titel: Choke seilzug austauschen Antworten mit Zitat

Wer hat das schon mall gemacht?

ich habe bei meiner gesehen das, das seil im Luftfilterkasten von einen auf Zweiseile umspringt aber ich weiß nicht wie ich die da trenn soll um ein neues seil einzubauen

Muss ich die beiden seile an ihrem ende losen um das seil zu tauschen?

_________________
Wer eher Bremst ist länger am leben

wenn es klemmt, wendeGewalt an, Wenn es kaputt geht, hätte es eh erneuert werden müssen
Nach oben
Benutzer-Profile anzeigen 
gschimmyOffline
Hinterradspezi
Avatar

Anmeldungsdatum: 15.05.2003
Beiträge insgesamt: 3608
KTM LC8 Adv 950, 2003
 →  80.000 km

BeitragVerfasst am : Mi, 4. Feb 2009, 9:51    Titel: Antworten mit Zitat

Moin!

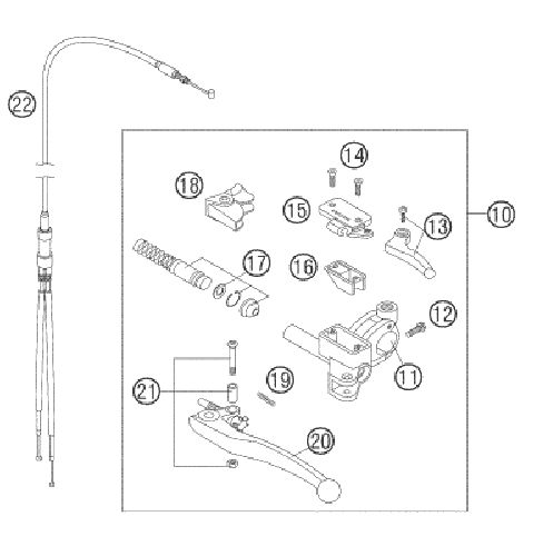
Mal schnell im Parts Manual nachgeschaut...
so ne Explosionszeichnung ist manchmal hilfreich..... Wink
Teil Nummer 22

So wie es aussieht ist der gesamte Chockezug ein Teil...
nix mit auseinanderbauen.

HAb es aber selbst noch nicht gemacht.

VG Schimmi



Zwischenablage02.jpg
 Beschreibung:
 Dateigröße:  23.51 KB
 Angeschaut:  806 mal

Zwischenablage02.jpg



_________________
endlich wieder ne 950ziger im Stall
remember...G-Force is always with us
Nach oben
Benutzer-Profile anzeigen 
RemscheidOffline
Asphaltcowboy
Avatar

Anmeldungsdatum: 03.06.2007
Beiträge insgesamt: 79
KTM LC8 Adv 950, 2005
 →  39.000 km

BeitragVerfasst am : Mi, 4. Feb 2009, 12:02    Titel: Antworten mit Zitat

ja erstmall danke

aber das habe ich ja schon gesehen das bild
aber ich will nicht das orginal kaufen ist so teuer hat nicht jemand eine biligere idee?

_________________
Wer eher Bremst ist länger am leben

wenn es klemmt, wendeGewalt an, Wenn es kaputt geht, hätte es eh erneuert werden müssen
Nach oben
Benutzer-Profile anzeigen 
BruggmaOffline
Sponsor
Sponsor
Avatar

Anmeldungsdatum: 24.03.2003
Beiträge insgesamt: 7566
Aprilia 660 Tuareg
 →  7.000 km
Honda VF 750 SC 1982
 →  102.000 km

BeitragVerfasst am : Mi, 4. Feb 2009, 18:43    Titel: Antworten mit Zitat

Und wieso willst Du den wechseln?
_________________
Peter

www.bbshome.ch
Nach oben
Benutzer-Profile anzeigen Website dieses Benutzers besuchen 
RemscheidOffline
Asphaltcowboy
Avatar

Anmeldungsdatum: 03.06.2007
Beiträge insgesamt: 79
KTM LC8 Adv 950, 2005
 →  39.000 km

BeitragVerfasst am : Mi, 4. Feb 2009, 20:08    Titel: Antworten mit Zitat

ist abgerissen am lenker und jetzt nicht mehr lang genug Sad
_________________
Wer eher Bremst ist länger am leben

wenn es klemmt, wendeGewalt an, Wenn es kaputt geht, hätte es eh erneuert werden müssen
Nach oben
Benutzer-Profile anzeigen 
BruggmaOffline
Sponsor
Sponsor
Avatar

Anmeldungsdatum: 24.03.2003
Beiträge insgesamt: 7566
Aprilia 660 Tuareg
 →  7.000 km
Honda VF 750 SC 1982
 →  102.000 km

BeitragVerfasst am : Mi, 4. Feb 2009, 20:13    Titel: Antworten mit Zitat

Könntest Du dein Profil einmal nach führen, Modell, Jahrgang, KM etc.
Oder hattest Du einen Bruch?

_________________
Peter

www.bbshome.ch
Nach oben
Benutzer-Profile anzeigen Website dieses Benutzers besuchen 
ZehlausOffline
Sponsor
Sponsor
Avatar

Anmeldungsdatum: 02.08.2004
Beiträge insgesamt: 3559

BeitragVerfasst am : Mi, 4. Feb 2009, 20:14    Titel: Antworten mit Zitat

Ich weiss ja nicht was teuer ist, aber ca. 25.- Euro für den kompletten Zug? Wenn Du unbedingt basteln willst, geh zum Fahrradhändler, die haben z.T. Bowdenzüge und Nippel zum pfriemeln.
Nach oben
Benutzer-Profile anzeigen 
BruggmaOffline
Sponsor
Sponsor
Avatar

Anmeldungsdatum: 24.03.2003
Beiträge insgesamt: 7566
Aprilia 660 Tuareg
 →  7.000 km
Honda VF 750 SC 1982
 →  102.000 km

BeitragVerfasst am : Mi, 4. Feb 2009, 20:16    Titel: Antworten mit Zitat

Zehlaus @ Mi, 4. Feb 2009, 20:14 hat folgendes geschrieben:
Ich weiss ja nicht was teuer ist, aber ca. 25.- Euro für den kompletten Zug? Wenn Du unbedingt basteln willst, geh zum Fahrradhändler, die haben z.T. Bowdenzüge und Nippel zum pfriemeln.


Und zwei Züge kosten auch 25€ . . .

_________________
Peter

www.bbshome.ch
Nach oben
Benutzer-Profile anzeigen Website dieses Benutzers besuchen 
ZehlausOffline
Sponsor
Sponsor
Avatar

Anmeldungsdatum: 02.08.2004
Beiträge insgesamt: 3559

BeitragVerfasst am : Mi, 4. Feb 2009, 20:21    Titel: Antworten mit Zitat

Bruggma @ Mi, 4. Feb 2009, 20:16 hat folgendes geschrieben:
Zehlaus @ Mi, 4. Feb 2009, 20:14 hat folgendes geschrieben:
Ich weiss ja nicht was teuer ist, aber ca. 25.- Euro für den kompletten Zug? Wenn Du unbedingt basteln willst, geh zum Fahrradhändler, die haben z.T. Bowdenzüge und Nippel zum pfriemeln.


Und zwei Züge kosten auch 25€ . . .


Jetzt verstehe ich nur Bahnhof, aber sagen wir mal: Stimmt!
Nach oben
Benutzer-Profile anzeigen 
RemscheidOffline
Asphaltcowboy
Avatar

Anmeldungsdatum: 03.06.2007
Beiträge insgesamt: 79
KTM LC8 Adv 950, 2005
 →  39.000 km

BeitragVerfasst am : Mi, 4. Feb 2009, 20:31    Titel: Antworten mit Zitat

also soweit ich weiß kostet das Seil fast 50 €
und da finde ich ein stück stahseil für ein paar cent biliger !! oder?

_________________
Wer eher Bremst ist länger am leben

wenn es klemmt, wendeGewalt an, Wenn es kaputt geht, hätte es eh erneuert werden müssen
Nach oben
Benutzer-Profile anzeigen 
ZehlausOffline
Sponsor
Sponsor
Avatar

Anmeldungsdatum: 02.08.2004
Beiträge insgesamt: 3559

BeitragVerfasst am : Mi, 4. Feb 2009, 21:04    Titel: Antworten mit Zitat

Probier mal die Ersatzteilnummer 60002095000 z.B. bei endurobunker

VIERUNDZWANZIGFUFFZIG Wink

Basteln und in der blödesten Situation das Gebastel auseinander fliegen sehen würde ich da nicht, zumal man die Weiche ggf. schlecht auseinander bekommt (bei der BMW ging das, war aber auch ständig kaputt Cool ).
Nach oben
Benutzer-Profile anzeigen 
BruggmaOffline
Sponsor
Sponsor
Avatar

Anmeldungsdatum: 24.03.2003
Beiträge insgesamt: 7566
Aprilia 660 Tuareg
 →  7.000 km
Honda VF 750 SC 1982
 →  102.000 km

BeitragVerfasst am : Do, 5. Feb 2009, 5:53    Titel: Antworten mit Zitat

Zehlaus @ Mi, 4. Feb 2009, 20:21 hat folgendes geschrieben:
Bruggma @ Mi, 4. Feb 2009, 20:16 hat folgendes geschrieben:
Zehlaus @ Mi, 4. Feb 2009, 20:14 hat folgendes geschrieben:
Ich weiss ja nicht was teuer ist, aber ca. 25.- Euro für den kompletten Zug? Wenn Du unbedingt basteln willst, geh zum Fahrradhändler, die haben z.T. Bowdenzüge und Nippel zum pfriemeln.


Und zwei Züge kosten auch 25€ . . .


Jetzt verstehe ich nur Bahnhof, aber sagen wir mal: Stimmt!


Habe letzten Samstag beim Fahradmech ein Bremsseil hinten gekauft.
€ 12.50, aber die Qualität ist um Faktoren besser als die 4x Billigeren aus
dem Baumarkt.

_________________
Peter

www.bbshome.ch
Nach oben
Benutzer-Profile anzeigen Website dieses Benutzers besuchen 
RemscheidOffline
Asphaltcowboy
Avatar

Anmeldungsdatum: 03.06.2007
Beiträge insgesamt: 79
KTM LC8 Adv 950, 2005
 →  39.000 km

BeitragVerfasst am : Do, 12. Feb 2009, 10:14    Titel: einbauanleitung Antworten mit Zitat

also erstmall danke an alle ich habe mir jetzt einen bestelt 25 € find ich ok
aber hat jetzt noch einer eine einbauleitung ? ich will nicht zuviel im luftfilterkasten auseinander bauen da ist es so eng drinnen und ich habe die sorge das ich das ding auseinander bauen muß ?!



DSC01580.JPG
 Beschreibung:
 Dateigröße:  295.08 KB
 Angeschaut:  839 mal

DSC01580.JPG



_________________
Wer eher Bremst ist länger am leben

wenn es klemmt, wendeGewalt an, Wenn es kaputt geht, hätte es eh erneuert werden müssen
Nach oben
Benutzer-Profile anzeigen 
ZehlausOffline
Sponsor
Sponsor
Avatar

Anmeldungsdatum: 02.08.2004
Beiträge insgesamt: 3559

BeitragVerfasst am : Do, 12. Feb 2009, 13:21    Titel: Antworten mit Zitat

Ein ehrlicher Tipp: Kauf Dir die Reparaturanleitung beim Händler, kostet als CD so ca. 25.-€. Wenn Du das dann noch nicht verstehst (was verständlich ist), lasss es lieber machen, die Vergaserbatterie ist bei der 8 ziemlich verbaut, wie Du siehst Wink .
Nach oben
Benutzer-Profile anzeigen 
friedrichOffline
Sponsor
Sponsor
Avatar

Anmeldungsdatum: 05.12.2006
Beiträge insgesamt: 1142
KTM LC8 Adv 990, 2006
 →  70.000 km
Husky 701 Omega
 →  2.000 km

BeitragVerfasst am : Do, 12. Feb 2009, 19:50    Titel: Antworten mit Zitat

Die Drieecke li +re vom Lufi-Kasten abschrauben
Die Schlauchbänder am Ansaug lösen (unter dem Vergaser)
Den ein oder anderen Schlauch vom Vergaser lösen
und dann die Vergaserbatterie nach oben raus nehmen
dauert 5 - 10 min.
Du solltest allerdings die Tankhälften vorher abbauen, sonst
wird das nichts

Wenn dir das zu viel o. zu kompliziert ist, fahr zum Freundlichen

_________________
Cool Cool Cool Friedrich
Nach oben
Benutzer-Profile anzeigen 
Beiträge der letzten Zeit anzeigen:   
Neues Thema eröffnen   Neue Antwort erstellen    forum.LC8.info Foren-Übersicht -> Adv - Technik/Reparatur Alle Zeiten sind GMT + 1 Stunde
Gehe zu Seite 1, 2  Weiter
Seite 1 von 2

 
Beiträge der letzten 24h (nach Forum sortiert)

Gehe zu:  
Rechte



Powered by phpBB © 2001 - 2005 phpBB Group |  Hosted and administrated by schradtnet_mini.gif | Lösche Cookies von diesem Forum
[ Time: 0.0370s ][ Queries: 38 (0.0050s) ]