|
|
|
|
|
|
| Autor |
Nachricht |
carliO Schlammspringer
Anmeldungsdatum: 09.04.2009 Beiträge insgesamt: 133 KTM LC8 Adv 950 S, 2005 → 92.000 km
|
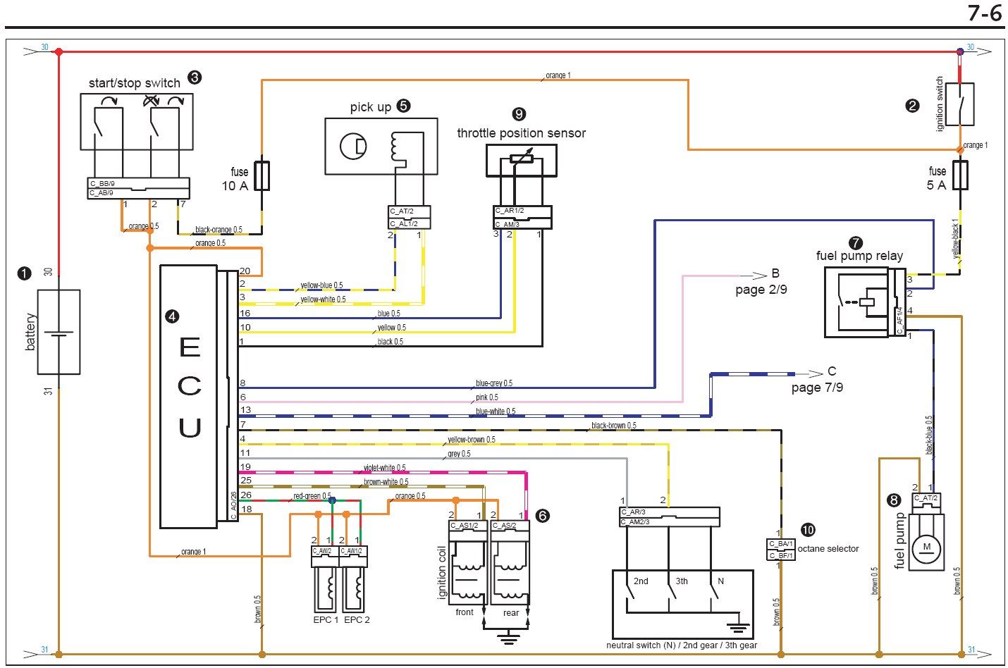
Verfasst am : Di, 16. Feb 2010, 16:20 Titel: 80 Oktan Kabel kaputt? |
|
|
Hallihallo,
habe das Gefühl meine Kathi fehlt etwas Bums und der Verbrauch ist hoch. Das waere ja auch der Fall wenn das der 80 Oktan Stecker gezogen ist. Der steckt aber noch doch das Kabel hat einen kleinen Knick.
Frage kann man mit einem Multimeter auf einfache Weise prüfen ob das Kabel noch i.O ist ohne die halbe Mühle zu zerlegen?
Grüsse carliO
_________________ gegen Gelbfieber geimpft von Orangefieber befallen
www.950abenteuer.de |
|
| Nach oben |
|
dap  Sponsor
Anmeldungsdatum: 05.05.2008 Beiträge insgesamt: 622 KTM LC8 Adv 950 S, 2005 → 111.000 km KTM LC8 SE 950, 2007 → 17.000 km
|
Verfasst am : Di, 16. Feb 2010, 18:56 Titel: Hilfts? |
|
|
Hi CarliO - mehr kann ich nicht dazu beitragen:
als Screenshot - sch$&% geschütztes PDF.
Deutet ja darauf hin, dass wenn Kabel im sack, dann mit 80octane
Viel Erfolg
daP
| Beschreibung: |
|
| Dateigröße: |
142.72 KB |
| Angeschaut: |
397 mal |

|
| Beschreibung: |
|
| Dateigröße: |
219.6 KB |
| Angeschaut: |
384 mal |

|
|
|
| Nach oben |
|
Stealth  Sponsor
Anmeldungsdatum: 05.10.2006 Beiträge insgesamt: 1976 KTM LC8 SE 950, 2006 → 22.000 km
|
Verfasst am : Di, 16. Feb 2010, 20:28 Titel: |
|
|
Hallo
Du mußt den Stecker der ECU abziehen und am Pin 7 prüfen ob masse anliegt.
MfG
|
|
| Nach oben |
|
carliO Schlammspringer
Anmeldungsdatum: 09.04.2009 Beiträge insgesamt: 133 KTM LC8 Adv 950 S, 2005 → 92.000 km
|
Verfasst am : Mi, 17. Feb 2010, 17:53 Titel: |
|
|
Okidoki habs gecheckt
@ stealth
Vielen Dank-ich weiss so langsam ist schon fast ein Kasten fällig
...wenn ich wieder daheim bin...
_________________ gegen Gelbfieber geimpft von Orangefieber befallen
www.950abenteuer.de |
|
| Nach oben |
|
|
|
|
[ Time: 0.0628s ][ Queries: 26 (0.0424s) ]
|