forum.LC8.info Foren-Übersicht  
FAQFAQ Knowledge BaseKnowledge Base SuchenSuchen KarteKarte KalenderKalender FotoalbumFotoalbum RegistrierenRegistrieren ProfilProfil LoginLogin

Blinkersteuerung / Warnblinkerschalter LC8 2009
Gehe zu Seite 1, 2  Weiter
 
Neues Thema eröffnen   Neue Antwort erstellen     forum.LC8.info Foren-Übersicht -> Adv - Technik/Reparatur Beiträge der letzten 24h (nach Forum sortiert)
Vorheriges Thema anzeigen :: Nächstes Thema anzeigen  
Autor Nachricht
Biker33_1Offline
Speichenputzer
Avatar

Anmeldungsdatum: 09.11.2011
Beiträge insgesamt: 47
KTM Adventure 1050
 →  20.000 km

BeitragVerfasst am : Mo, 3. März 2014, 10:30    Titel: Blinkersteuerung / Warnblinkerschalter LC8 2009 Antworten mit Zitat

Hallo an alle,
mir ist jetzt innerhalb von 2 Jahren und 30.000Km 3x die Blinkersteuerung im Warnblinkerschalter "verglüht". Ohne Vorwarnung bleiben die beiden linken Blinker auf Daueran, auch bei Zündung aus und Schlüssel raus. Also linke Verkleidung ab und den Schalter ausgebaut. Die Steuerung der ganzen Einheit ist in Plastik vergossen. Das Teil wird aus irgendeinem Grund so heiß, dass die Einheit schmilzt ! Sicherungen sind alle intakt. So weit so schlecht. Zur Not kann man ja ohne Blinker fahren, aber jetzt schon zum 3. mal 87,64€ für so ein Teil ist mehr als ärgerlich, zumal KTM die Garantie auf ein Ersatzteil ablehnt (hätte schon bei Übergaben defekt sein müssen !). Hatte jemand schon mal ein ähnliches Problem ? Ich würde gerne die Ursache beseitigen, bin aber ratlos wo ich suchen soll.
KTM Teilenummer 60211022000. Alle Kabel und Stecker sind OK und nicht verfärbt oder gar geschmolzen. Nur die Rückseite des Warnblinkerknopfes/ Warnblinkkontrolle.
Nach oben
Benutzer-Profile anzeigen 
HotFireOffline
Sponsor
Sponsor
Avatar

Anmeldungsdatum: 11.04.2007
Beiträge insgesamt: 3677
Alter: 49
HABE FERTIG

BeitragVerfasst am : Mo, 3. März 2014, 11:11    Titel: Antworten mit Zitat

Wenn etwas "SO OFT" kaput geht, hatte ich gute Erfahrungen gemacht, wenn man KTM Werkskundendienst mal einschaltet - so bin ich kostenlos an KNZ & BATTERIE gekommen.
_________________


KTM & HUSQVARNA - STAMMTISCH
Nach oben
Benutzer-Profile anzeigen 
OllebolleOffline
Sponsor
Sponsor
Anmeldungsdatum: 14.06.2005
Beiträge insgesamt: 1052
BMW R1200 GS LC Adventure
 →  1.000 km

BeitragVerfasst am : Mo, 3. März 2014, 16:11    Titel: Antworten mit Zitat

Sind die Blinker noch serienmäßig?
Hast Du evtl. 21W-Lampen in den Blinkern statt 10W?

_________________
Sicheres Auftreten....auch bei völliger Ahnungslosigkeit.
Nach oben
Benutzer-Profile anzeigen 
Biker33_1Offline
Speichenputzer
Avatar

Anmeldungsdatum: 09.11.2011
Beiträge insgesamt: 47
KTM Adventure 1050
 →  20.000 km

BeitragVerfasst am : Mo, 3. März 2014, 17:16    Titel: Antworten mit Zitat

Die Blinker sind 100% Serie, nichts verändert. Die einzige Veränderung ist eine Xenon Lampe statt H7 im Abblendlicht, aber das ist seit Anfang an drin. Beim ersten mal sind mir auf einer Schwarzwaldtour zwei Schalter abgeraucht. Dann war 1,5 Jahre Ruhe und gestern auf einer 20Km Kurzstrecke dann wieder.
Mein Problem ist halt, solange ich die Ursache nicht kenne, ist die Gefahr des Abrauchens ständig da. Solange ich in Deutschland bin ist es nur ärgerlich und teuer. Bei längeren Touren im Ausland ist es aber ein blödes Gefühl vielleicht mehrere 1000Km ohne Blinker unterwegs zu sein. Mein freundlicher Händler zuckt nur mit den Schultern. Elektronik ist nicht sein Steckenpferd .....
Nach oben
Benutzer-Profile anzeigen 
OllebolleOffline
Sponsor
Sponsor
Anmeldungsdatum: 14.06.2005
Beiträge insgesamt: 1052
BMW R1200 GS LC Adventure
 →  1.000 km

BeitragVerfasst am : Mo, 3. März 2014, 20:51    Titel: Antworten mit Zitat

Biker33_1 @ Mo, 3. März 2014, 16:16 hat folgendes geschrieben:
......Mein freundlicher Händler zuckt nur mit den Schultern. Elektronik ist nicht sein Steckenpferd .....

blink Was ist das denn für 'ne Pfeife? Such Dir einen Händler, der Ahnung hat.

Sooo kompliziert kann das doch nicht sein. Am Schalter selbst wird's wahrscheinlich nicht liegen, wenn Du den schon so oft ausgetauscht hast.

Ich tippe mal, daß da einfach zu viel Strom drüber fließt. Aber warum?
Entweder ziehen die Verbraucher einen zu hohen Strom (z.B. bei 21W-Lampen statt 10W), oder Du hast irgendwo einen Masseschluss.
Die Sicherung muss deswegen noch nicht zwingend durchbrennen, die hat 10A weil auch noch die Hupe dranhängt.
Wenn der Schalter z.B. nur 5A aushält (bei 4x 10W fließen nur ca. 3,3A) dann raucht der ab, bevor die Sicherung durchbrennt.

Ist vielleicht irgendwo die Isolierung eines Kabels durchgescheuert?

_________________
Sicheres Auftreten....auch bei völliger Ahnungslosigkeit.
Nach oben
Benutzer-Profile anzeigen 
bammelOffline
Sponsor
Sponsor
Avatar

Anmeldungsdatum: 17.11.2012
Beiträge insgesamt: 576

BeitragVerfasst am : Mo, 3. März 2014, 21:23    Titel: Antworten mit Zitat

Vielleicht mal ein Versuch:
wenn der Schalter nach 1,5 Jahren durchgebrannt ist, dann hast du ja noch ein halbes Jahr Gewährleistung. Allerdings liegt die Beweislast bei dir.
Aber Versuch macht klug

Gruß

Volker
Nach oben
Benutzer-Profile anzeigen 
Biker33_1Offline
Speichenputzer
Avatar

Anmeldungsdatum: 09.11.2011
Beiträge insgesamt: 47
KTM Adventure 1050
 →  20.000 km

BeitragVerfasst am : Di, 4. März 2014, 8:18    Titel: Antworten mit Zitat

@Ollebolle
meine Vermutung liegt auch bei irgendeinem Masseschluss. Die Symptome deuten einfach darauf hin. Ich werde mal versuchen die Kabel zu verfolgen und ggf. neu isolieren. Danke für den Tip

@bammel
habe ich versucht, hier die Antwort:
"leider müssen wir Ihnen mitteilen, dass KTM die Warnblinkkontrolleuchte nicht auf Gewährleistung ersetzt.

Gem. den Gewährleistungsrichtlinien hätte die Kontrolleuchte schon bei Übergabe defekt sein müssen. Dies war aber nicht der Fall, da sie offenbar 1 1/2 Jahre funktioniert hat."
Nach oben
Benutzer-Profile anzeigen 
kretabikerOffline
Sponsor
Sponsor
Anmeldungsdatum: 01.09.2008
Beiträge insgesamt: 6067

BeitragVerfasst am : Di, 4. März 2014, 8:55    Titel: Antworten mit Zitat

Ich seh´s wie Ollebolle...es fließt definitiv zuviel Strom über den Schalter. Leider hab ich für die neueren Baujahre (ab 2009) keinen Stromlaufplan (Arbeitsunterweisung geht nur bis BJ 2008). An einen Masseschluß glaube ich nicht, da sonst die Sicherung gegangen wäre (ist mit 10A abgesichert, oder?).
Wenn Du das Mopped gebraucht gekauft hast, wäre es nicht möglich das von dem Vorbesitzer 21 Watt Birnen eingewechselt wurden, hast Du die Birnen mal genau angesehen, am Lampensockel?
Wenn´s das nicht ist, dann mußt Du die Stromkreise trennen und ohmisch auf Kriechströme durchmessen (hohen Ohmbereich auf dem Meßgerät einstellen). Aber wenn das der Fall wäre, dann sollte eigentlich auch die Batterie öfters mal geschwächelt haben!?
Frag mal Deinen super Händler, ob er Dir eine Kopie des Schaltplanes ziehen kann, einen für die neueren Modelle ab 2009, denn die alten haben standartmäßig keine Warnblinke verbaut.....dann sollte es kein Problem mehr sein den Fehler rauszumessen, denke ich.
Nach oben
Benutzer-Profile anzeigen 
Biker33_1Offline
Speichenputzer
Avatar

Anmeldungsdatum: 09.11.2011
Beiträge insgesamt: 47
KTM Adventure 1050
 →  20.000 km

BeitragVerfasst am : Di, 4. März 2014, 10:12    Titel: Antworten mit Zitat

@kretabiker
OK, ich habe die Blinker tatsächlich noch nicht geprüft und ja das Mopped habe ich gebraucht gekauft. Dann werde ich das mal checken. Komisch ist trotzdem, dass es 1,5 Jahre problemlos funktionierte. Kurz zur Historie:
ich habe sie 11/2011 gekauft. Batterie war fertig. 01/2012 neue Batterie rein. 08/12 auf einer Tour 2x der Schalter verglüht. 02/14 wieder neue Batterie rein. Die alte ging zwar noch, hatte aber nicht mehr die volle Leistung. 03/14 erneut Schalter abgeraucht. Dazwischen weder Probleme mit der Batterie noch mit dem Schalter. Fahre außer Dezember-Februar meist täglich.
Ich habe noch 2 Ersatzblinker auf Vorrat zu Hause. Vielleicht tausche ich auch einfach mal die linke Seite komplett aus.
Nach oben
Benutzer-Profile anzeigen 
OllebolleOffline
Sponsor
Sponsor
Anmeldungsdatum: 14.06.2005
Beiträge insgesamt: 1052
BMW R1200 GS LC Adventure
 →  1.000 km

BeitragVerfasst am : Di, 4. März 2014, 11:51    Titel: Antworten mit Zitat

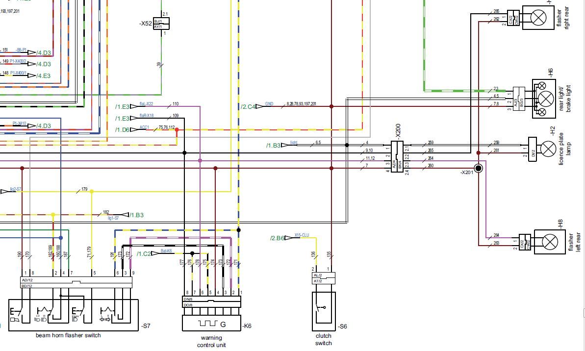
Schaltplan Blinker:


Schaltplan_Blinker_LC8.JPG
 Beschreibung:
 Dateigröße:  111.02 KB
 Angeschaut:  1109 mal

Schaltplan_Blinker_LC8.JPG



_________________
Sicheres Auftreten....auch bei völliger Ahnungslosigkeit.
Nach oben
Benutzer-Profile anzeigen 
Biker33_1Offline
Speichenputzer
Avatar

Anmeldungsdatum: 09.11.2011
Beiträge insgesamt: 47
KTM Adventure 1050
 →  20.000 km

BeitragVerfasst am : Di, 4. März 2014, 12:21    Titel: Antworten mit Zitat

Danke für den Plan. Ich bin zwar kein Elektriker, aber ich kann immerhin erkennen, dass die Blinker auf dem gleichen Kreis mit Nummernschildbeleuchtung und Kupplungsschalter hängen und nicht am Rücklicht. V2Lover vermutet einen Zusammenhang mit dem nachgerüsteten LED Rücklicht. Das kann ich also schon mal streichen.
Ich werde meinen defekten Warnblinkerschalter (warning control unit) dann mal zerlegen. Wenn Pin4 angeschmort ist, ist da wohl definitiv zu viel Strom geflossen.
Nach oben
Benutzer-Profile anzeigen 
HotFireOffline
Sponsor
Sponsor
Avatar

Anmeldungsdatum: 11.04.2007
Beiträge insgesamt: 3677
Alter: 49
HABE FERTIG

BeitragVerfasst am : Di, 4. März 2014, 12:43    Titel: Antworten mit Zitat

Hi Biker33_1,

den Schaltplan brauchst Du nicht, vor allem wenn Du den nicht lesen kannst - KTM wird den Fehler auch nicht eingezeichnet haben. Das Absuchen der Leitungen würde ich mir als ERSTEN SCHRITT auch verkneifen - viel zu aufwändig.

Gehe mal so vor: mach mal den Warnblinker an

1.) es blinken NUR die 4 Blinker ?

dann ziehe mal die betreffende Sicherung:

2.) alle Blinker gehen aus ?

dann steckst Du ein Multimeter auf 10 A eingestellt in je einen Sicherungskontakt (ja, ohne die zuvor gezogene Sicherung) - (ggf. jetzt noch mal den Warnblinker einschalten):

3.) wie viel Ampere (Peak) werden im Moment des WARN-Blinkens angezeigt:

sollte nicht über 5 Ampere liegen.



Dann könntest Du noch den Verluststrom der Batterie bei ausgeschalteter und eingeschalteter Zündung messen - dann ggf. bei aktivierten Warnblinker - ACHTUNG Messgerät sollte die hohen Ströme auch verkraften können.

_________________


KTM & HUSQVARNA - STAMMTISCH
Nach oben
Benutzer-Profile anzeigen 
OllebolleOffline
Sponsor
Sponsor
Anmeldungsdatum: 14.06.2005
Beiträge insgesamt: 1052
BMW R1200 GS LC Adventure
 →  1.000 km

BeitragVerfasst am : Di, 4. März 2014, 16:28    Titel: Antworten mit Zitat

Wie soll er denn den Warnblinker messen, wenn der Schalter abgeraucht ist?
Und dann bau ich doch nicht wieder einen neuen 90€-Schalter ein, wenn ich den Fehler noch nicht kenne.

_________________
Sicheres Auftreten....auch bei völliger Ahnungslosigkeit.
Nach oben
Benutzer-Profile anzeigen 
HotFireOffline
Sponsor
Sponsor
Avatar

Anmeldungsdatum: 11.04.2007
Beiträge insgesamt: 3677
Alter: 49
HABE FERTIG

BeitragVerfasst am : Di, 4. März 2014, 16:51    Titel: Antworten mit Zitat

Ollebolle @ Di, 4. März 2014, 15:28 hat folgendes geschrieben:
Wie soll er denn den Warnblinker messen, wenn der Schalter abgeraucht ist?
Und dann bau ich doch nicht wieder einen neuen 90€-Schalter ein, wenn ich den Fehler noch nicht kenne.



Natürlich nen neuen rein, wie will er denn so ein komplexen Vorgang sonst ausmessen.

_________________


KTM & HUSQVARNA - STAMMTISCH
Nach oben
Benutzer-Profile anzeigen 
OllebolleOffline
Sponsor
Sponsor
Anmeldungsdatum: 14.06.2005
Beiträge insgesamt: 1052
BMW R1200 GS LC Adventure
 →  1.000 km

BeitragVerfasst am : Di, 4. März 2014, 17:09    Titel: Antworten mit Zitat

Wenn er zuviel Kohle hat kann er das ja machen. Und wenn das Ding dann abbrennt, ruft er Dich zum Löschen Mr. Green

Ich würd' zuerst mal nach den Lampen schauen, dann nach den Kabeln.
Wenn da dann kein Fehler zu finden ist, würde ich jede Blinkerseite für sich mal direkt an Plus legen, also einfach den Schalter brücken, und dann mal den Strom messen.
Aber auf keinen Fall mit eingebautem Schalter.

Selbst wenn der Kollege Biker33_1 eine Elektro-Dummie sein sollte, dann versteh' ich aber nicht, warum sein Händler das nicht kann. Was macht der denn hauptberuflich wacko

_________________
Sicheres Auftreten....auch bei völliger Ahnungslosigkeit.
Nach oben
Benutzer-Profile anzeigen 
Beiträge der letzten Zeit anzeigen:   
Neues Thema eröffnen   Neue Antwort erstellen    forum.LC8.info Foren-Übersicht -> Adv - Technik/Reparatur Alle Zeiten sind GMT + 1 Stunde
Gehe zu Seite 1, 2  Weiter
Seite 1 von 2

 
Beiträge der letzten 24h (nach Forum sortiert)

Gehe zu:  
Rechte



Powered by phpBB © 2001 - 2005 phpBB Group |  Hosted and administrated by schradtnet_mini.gif | Lösche Cookies von diesem Forum
[ Time: 0.0703s ][ Queries: 40 (0.0374s) ]