|
|
| Autor |
Nachricht |
DF Fahrschüler Anmeldungsdatum: 17.06.2015 Beiträge insgesamt: 7 KTM LC8 SM 950, 2007 → 31.000 km
|
Verfasst am : Mi, 17. Jun 2015, 19:07 Titel: Plötzlich zu viel öl im Behälter |
|
|
Hallo zusammen,
Hab vor einer Woche Öl gewechselt mit allen Filtern. Ölstand ok. Bin auch schon ca. 40km ohne Probleme gefahren und plötzlich ist vorne im Behälter wo das Schauröhrchen ist so viel öl drinnen, sodass das Öl schon herausläuft wenn man die Nachfüllöffnung öffnet, Motorrad ist mir dadurch während der Fahrt abgestorben weil kein gas mehr angenommen wurde. Was kann es da haben?
|
|
| Nach oben |
|
OstMarkus  Sponsor
Anmeldungsdatum: 24.01.2004 Beiträge insgesamt: 3391 KTM 790 Adv R → 8.000 km
|
Verfasst am : Mi, 17. Jun 2015, 19:10 Titel: |
|
|
Was fuern Moped hast du denn? Vermutlich ist es das Kugelventil am Oeltank, welches nicht aufmacht.
_________________ Das erste Opfer des Krieges ist die Wahrheit - Hiram Johnson |
|
| Nach oben |
|
DF Fahrschüler Anmeldungsdatum: 17.06.2015 Beiträge insgesamt: 7 KTM LC8 SM 950, 2007 → 31.000 km
|
Verfasst am : Mi, 17. Jun 2015, 19:12 Titel: |
|
|
| 950er SMR 2007er Baujahr, Danke für die Info - kann man das selbst reparieren? Wo liegt das genau, gibts dazu ev. eine Anleitung?
|
|
| Nach oben |
|
OstMarkus  Sponsor
Anmeldungsdatum: 24.01.2004 Beiträge insgesamt: 3391 KTM 790 Adv R → 8.000 km
|
Verfasst am : Mi, 17. Jun 2015, 19:52 Titel: |
|
|
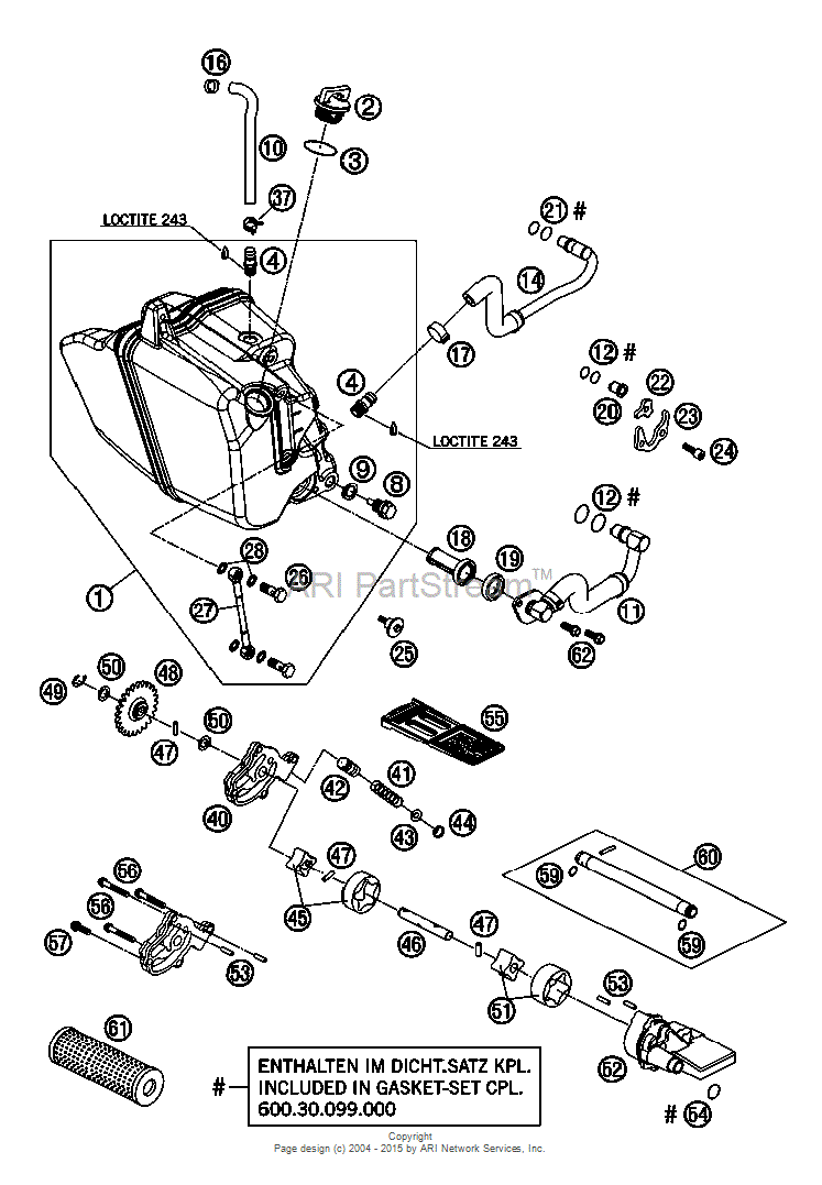
aahh, sorry, SM! Da weiss ich das nicht so genau. Wenn dann muesste das Nr 11 sein, aber da soll sich lieber nochmal nen anderer zu aeussern. Bei der ADV sieht das anders aus.
| Beschreibung: |
|
 Download |
| Dateiname: |
Image.gif |
| Dateigröße: |
27.74 KB |
| Heruntergeladen: |
4831 mal |
_________________ Das erste Opfer des Krieges ist die Wahrheit - Hiram Johnson |
|
| Nach oben |
|
Stealth  Sponsor
Anmeldungsdatum: 05.10.2006 Beiträge insgesamt: 1976 KTM LC8 SE 950, 2006 → 22.000 km
|
Verfasst am : Mi, 17. Jun 2015, 20:22 Titel: |
|
|
Hast du beim Ölwechsel auch das Motorgehäuse lerrlaufen lassen?
Wenn das Kugelventil dicht ist wäre die Karre schon fest
|
|
| Nach oben |
|
DF Fahrschüler Anmeldungsdatum: 17.06.2015 Beiträge insgesamt: 7 KTM LC8 SM 950, 2007 → 31.000 km
|
Verfasst am : Mi, 17. Jun 2015, 20:29 Titel: |
|
|
Hab alles laut Anleitung gemacht, alle 3 Filter gewechselt und alles auslaufen lassen
|
|
| Nach oben |
|
Stealth  Sponsor
Anmeldungsdatum: 05.10.2006 Beiträge insgesamt: 1976 KTM LC8 SE 950, 2006 → 22.000 km
|
Verfasst am : Mi, 17. Jun 2015, 20:32 Titel: |
|
|
| Stinkt das Öl nach Benzin ?
|
|
| Nach oben |
|
DF Fahrschüler Anmeldungsdatum: 17.06.2015 Beiträge insgesamt: 7 KTM LC8 SM 950, 2007 → 31.000 km
|
Verfasst am : Mi, 17. Jun 2015, 20:39 Titel: |
|
|
| Schon ein wenig - ja....
|
|
| Nach oben |
|
Stealth  Sponsor
Anmeldungsdatum: 05.10.2006 Beiträge insgesamt: 1976 KTM LC8 SE 950, 2006 → 22.000 km
|
Verfasst am : Mi, 17. Jun 2015, 20:44 Titel: |
|
|
Dann hängt ein Nadelventil (Vergaser) und der Motor wurde mit Sprit geflutet.
Wenn das so sein sollte kannst du nur beten das die Lag erstellen das überlebt haben oder keine Spätfolgen eintreten
|
|
| Nach oben |
|
DF Fahrschüler Anmeldungsdatum: 17.06.2015 Beiträge insgesamt: 7 KTM LC8 SM 950, 2007 → 31.000 km
|
Verfasst am : Mi, 17. Jun 2015, 20:47 Titel: |
|
|
Danke für die rasche Hilfe.... Also am Besten in die Fachwerkstätte
|
|
| Nach oben |
|
Stealth  Sponsor
Anmeldungsdatum: 05.10.2006 Beiträge insgesamt: 1976 KTM LC8 SE 950, 2006 → 22.000 km
|
Verfasst am : Mi, 17. Jun 2015, 20:49 Titel: |
|
|
Wo kommst denn her
|
|
| Nach oben |
|
DF Fahrschüler Anmeldungsdatum: 17.06.2015 Beiträge insgesamt: 7 KTM LC8 SM 950, 2007 → 31.000 km
|
Verfasst am : Mi, 17. Jun 2015, 20:50 Titel: |
|
|
| Bezirk Scheibbs in NÖ ...
|
|
| Nach oben |
|
Stealth  Sponsor
Anmeldungsdatum: 05.10.2006 Beiträge insgesamt: 1976 KTM LC8 SE 950, 2006 → 22.000 km
|
Verfasst am : Mi, 17. Jun 2015, 20:54 Titel: |
|
|
Oh na das ist zu weit weg, am Horizont wo man runterfallen könnte
|
|
| Nach oben |
|
DF Fahrschüler Anmeldungsdatum: 17.06.2015 Beiträge insgesamt: 7 KTM LC8 SM 950, 2007 → 31.000 km
|
Verfasst am : Mi, 17. Jun 2015, 20:55 Titel: |
|
|
|
|
| Nach oben |
|
nickbert Fahrschüler Anmeldungsdatum: 21.08.2015 Beiträge insgesamt: 5 KTM LC8 SM 950, 2008 → 94.000 km Duke 690 → 33.000 km
|
Verfasst am : Mo, 4. Apr 2016, 15:04 Titel: |
|
|
ich hatte ein ähnliches Problem und es war die Kurbelwellengehäusentlüftung, dort war das Rückschlagventil zu (Dichtung löst sich auf)
| Stealth @ Mi, 17. Jun 2015, 21:22 hat folgendes geschrieben: | Hast du beim Ölwechsel auch das Motorgehäuse lerrlaufen lassen?
Wenn das Kugelventil dicht ist wäre die Karre schon fest  |
welches Kugelventil meinst du?
|
|
| Nach oben |
|
|