forum.LC8.info Foren-Übersicht  
FAQFAQ Knowledge BaseKnowledge Base SuchenSuchen KarteKarte KalenderKalender FotoalbumFotoalbum RegistrierenRegistrieren ProfilProfil LoginLogin

Immpbiliser 2007er 990er Ueberbruecken

 
Neues Thema eröffnen   Neue Antwort erstellen     forum.LC8.info Foren-Übersicht -> Adv - Technik - 990 EFI (Motor!) Beiträge der letzten 24h (nach Forum sortiert)
Vorheriges Thema anzeigen :: Nächstes Thema anzeigen  
Autor Nachricht
JanNOffline
Fahrschüler
Anmeldungsdatum: 12.05.2010
Beiträge insgesamt: 3

BeitragVerfasst am : So, 30. Mai 2010, 13:22    Titel: Immpbiliser 2007er 990er Ueberbruecken Antworten mit Zitat

Moinsen,

meinem Kumpel ist hier in Aethopien ein Troddel in einer Staubwolke vors Mopped gelaufen. Alles was hinter der Lampemmaske ist ging daraufhin zu bruch. Auch das Zuendschloss. Die ECU kommt in den naechsten Tagen und wir haben SIe heute mit der ECU einer anderen 990er zum Laufen gebrucht. Allerdings geht das Toeff nach drei Sekunden wieder aus.

Wir glauben, dass es am kaputten Zuendschloss liegt und der Immobiliser nicht deaktiviert werden kann. Aus dem Zuendschloss kommen sechs Kabel. Welche davon sind fuer den Immpbiliser zustaendig?

Leider kriegen wir kein neues Schloss, weil Matighofen erst in drei Wochen liefern koennte, Inshalla!!

Vielen Dank fuer ein paar gute Tipps.

Gruss,

Jan

_________________
... bin dann mal in Afrika untwegs ....
http://camelrallye.spaces.live.com/
Nach oben
Benutzer-Profile anzeigen Website dieses Benutzers besuchen 
JAMMERnichOffline
Sponsor
Sponsor
Avatar

Anmeldungsdatum: 16.07.2007
Beiträge insgesamt: 1193
KTM LC8 Adv 950 S, 2005
 →  54.000 km
Adventure 640
 →  50.000 km

BeitragVerfasst am : So, 30. Mai 2010, 14:35    Titel: Antworten mit Zitat

Hallo Jan,

Ich hab mich mal kurz reingelesen, wenn Ihr noch kein Reparatur-Manual habt, findet Ihr es hier:
http://www.mediafire.com/?jcyf7tynjif

Beim Download steht zwar für 950er, 990er Adv ist aber auch enthalten.

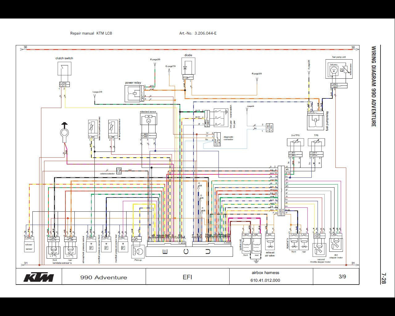
Wenn der Download nicht klappt, hier schonmal den Schaltplan:
Ist nicht so deutlich, weil Bildschirmausdruck.

Jetzt zu dem Problem: Ich weiss zwar nicht, was Du mit Immobiliser meinst, aber folgendes würde ich mal abklären:
- Rollover-Sensor (Tilt switch, wenn sie umgefallen ist: Kabelfarben gelb-rot, blau und schwarz, gehn alle zur ECU)
- Funktion des Kraftstoffpumpen-Relais (wenn die Zündung eingeschaltet wird, hört man die Pumpe drei Sekunden summen) das Relais bekommt plus über den Zündschalter-Killschalter-Power Relais-Diode und schaltet auf die Benzinpumpe durch (siehe Blockdiagramm auf Seite 142), Diode mal durchmessen (eine Richtung Durchgang, andere muss sie sperren).

Gruss und viel Erfolg, Matthias



990EFI Wiring diagram.jpeg
 Beschreibung:
 Dateigröße:  235.47 KB
 Angeschaut:  818 mal

990EFI Wiring diagram.jpeg


Nach oben
Benutzer-Profile anzeigen 
to.weOffline
Sponsor
Sponsor
Anmeldungsdatum: 30.07.2007
Beiträge insgesamt: 2192
KTM LC8 SE 950, 2006
 →  21.000 km
KTM LC4 Adv 640, 2003
 →  32.000 km
KTM LC4 690 Enduro Mod.2019
 →  10.000 km

BeitragVerfasst am : So, 30. Mai 2010, 15:45    Titel: Antworten mit Zitat

JAMMERnich @ So, 30. Mai 2010, 14:35 hat folgendes geschrieben:
Hallo Jan,
Ich weiss zwar nicht, was Du mit Immobiliser meinst,


haben manche 990er Modelle nicht eine Wegfahrsperre gruebel

_________________
Gruß
to.we
Nach oben
Benutzer-Profile anzeigen 
GurkeOffline
Tremalzobezwinger
Avatar

Anmeldungsdatum: 17.12.2007
Beiträge insgesamt: 201
KTM LC8 Adv 990 S, 2007
 →  80.000 km

BeitragVerfasst am : So, 30. Mai 2010, 15:59    Titel: Antworten mit Zitat

to.we @ So, 30. Mai 2010, 15:45 hat folgendes geschrieben:
haben manche 990er Modelle nicht eine Wegfahrsperre gruebel


Die 2007er, um die es hier ja geht, definitiv nicht. Ich glaube, die Wegfahrsperre gibt es erst ab MJ 2009.
Nach oben
Benutzer-Profile anzeigen 
BruggmaOffline
Sponsor
Sponsor
Avatar

Anmeldungsdatum: 24.03.2003
Beiträge insgesamt: 7566
Aprilia 660 Tuareg
 →  7.000 km
Honda VF 750 SC 1982
 →  102.000 km

BeitragVerfasst am : So, 30. Mai 2010, 16:37    Titel: Antworten mit Zitat

Hi Jan

Check auch mal den Kill-Schalter an der Kupplungsarmatur.

Das ist der Kollege zu dem am Seitenständer, ist nur gesteckt und kann mit
einer Flach oder WP Zange abgezogen werden.

_________________
Peter

www.bbshome.ch
Nach oben
Benutzer-Profile anzeigen Website dieses Benutzers besuchen 
JAMMERnichOffline
Sponsor
Sponsor
Avatar

Anmeldungsdatum: 16.07.2007
Beiträge insgesamt: 1193
KTM LC8 Adv 950 S, 2005
 →  54.000 km
Adventure 640
 →  50.000 km

BeitragVerfasst am : So, 30. Mai 2010, 18:46    Titel: Antworten mit Zitat

Bruggma @ So, 30. Mai 2010, 16:37 hat folgendes geschrieben:

Check auch mal den Kill-Schalter an der Kupplungsarmatur.


Wenn der Kill-Schalter defekt wäre, gehe ich davon aus, dass das Starter-Relais keine Masse bekäme und der Motor nicht angelassen werden könnte:

Starten nur möglich wenn: Kein Gang eingelegt ist, oder Gang eingelegt und Seitenständer ausgefahren und Kupplung gezogen ->

You will only be able to start under the following conditions:
– If the ignition switch is in the ON position
– If the emergency OFF switch is in the ON position
– If the transmission is shifted to neutral or the clutch is pulled
How the electric starter system operates:
Battery voltage travels from the battery through the fuse 1, the ignition switch 2 and the emergency OFF switch 3 to the tip
switch 4. By pressing the tip switch, the coil and load contact of the auxiliary start relay 5 are supplied with battery voltage.
The ground supply to the coil of the auxiliary starter relay 6 takes place if at least one of the following conditions is met:
– Transmission is shifted to neutral (neutral switch is closed, current can flow through the diode [6] and the neutral switch
against the ground);
– Clutch is pulled (clutch switch 7 is closed, the current can flow through the clutch switch against the ground).
When the coil of the auxiliary starter relay closes the load contact, battery voltage will flow to the starter relay 8, causing the
contact on the starter relay to close and the starter engine 9 to turn.
The diode bk is one of the electric starter system's important safety features. It prevents the starter engine from being actuated
although a gear is engaged and the clutch is not pulled.
If the clutch is released with the engine running and a gear engaged although the side stand is folded down (driving off with the
side stand folded down) the ECU will interrupt the ignition and injection, immediately causing the engine to stall.
Nach oben
Benutzer-Profile anzeigen 
fr.jazbecOffline
Sponsor
Sponsor
Avatar

Anmeldungsdatum: 11.04.2006
Beiträge insgesamt: 1670
BMW 318i Cabrio Bj.92
 →  95.000 km
BMW Z3 Coupe 2,8
 →  165.000 km

BeitragVerfasst am : So, 30. Mai 2010, 19:43    Titel: Re: Immpbiliser 2007er 990er Ueberbruecken Antworten mit Zitat

JanN @ So, 30. Mai 2010, 13:22 hat folgendes geschrieben:
meinem Kumpel ist hier in Aethopien ein Troddel in einer Staubwolke vors Mopped gelaufen.

Kann zur Aufklärung des Sachverhaltes nichts beitragen Sad ,mich würde aber interessieren wie's dem "Troddel" geht.
Deinem Kumpel scheint ja nichts wesentliches passiert zu sein,sonst würde er wohl eher an seine Reperatur als an die der Karre denken.
Nach oben
Benutzer-Profile anzeigen 
HotFireOffline
Sponsor
Sponsor
Avatar

Anmeldungsdatum: 11.04.2007
Beiträge insgesamt: 3677
Alter: 49
HABE FERTIG

BeitragVerfasst am : So, 30. Mai 2010, 21:24    Titel: Re: Immpbiliser 2007er 990er Ueberbruecken Antworten mit Zitat

JanN @ So, 30. Mai 2010, 13:22 hat folgendes geschrieben:
Aus dem Zuendschloss kommen sechs Kabel.


Vergiss es, es ist nur PIN 2 und 5 wichtig (die anderen 4 sind zwei ungenutzte Schließer), dass sind dann die Kabelfarben ROT und GELB/BLAU im Kabelbaum.

Die 2007er hat übrigens kein Immobiliserzündschloss und wenn eine Wegfahrsperre vorhanden ist, befindet die sich in dem Alarmanlagen Modul im Schminkkasten.

Wenn Du mit dem Zündschloss die Zündung an- und ausschalten kannst, dann ist es I.O. - wenn es wirklich eine 07er 990 ADV ist !

Ich würde mein Augenmerk ehr auf den Sensor (i.FR) auf der linken Seite legen, ob der noch OK ist oder baumelt der evtl. nur noch so rum ?

_________________


KTM & HUSQVARNA - STAMMTISCH
Nach oben
Benutzer-Profile anzeigen 
BruggmaOffline
Sponsor
Sponsor
Avatar

Anmeldungsdatum: 24.03.2003
Beiträge insgesamt: 7566
Aprilia 660 Tuareg
 →  7.000 km
Honda VF 750 SC 1982
 →  102.000 km

BeitragVerfasst am : Mo, 31. Mai 2010, 10:26    Titel: Antworten mit Zitat

@JAMMERnich, ja stimmt was du sagst
_________________
Peter

www.bbshome.ch
Nach oben
Benutzer-Profile anzeigen Website dieses Benutzers besuchen 
Beiträge der letzten Zeit anzeigen:   
Neues Thema eröffnen   Neue Antwort erstellen    forum.LC8.info Foren-Übersicht -> Adv - Technik - 990 EFI (Motor!) Alle Zeiten sind GMT + 1 Stunde
Seite 1 von 1

 
Beiträge der letzten 24h (nach Forum sortiert)

Gehe zu:  
Rechte



Powered by phpBB © 2001 - 2005 phpBB Group |  Hosted and administrated by schradtnet_mini.gif | Lösche Cookies von diesem Forum
[ Time: 1.0875s ][ Queries: 37 (1.0471s) ]